How To Unlock Dacor Oven - More recently, the unforeseen events of 2020 taught us that even when the world slows down, we still need the convenience of a reli.

How To Unlock Dacor Oven - More recently, the unforeseen events of 2020 taught us that even when the world slows down, we still need the convenience of a reli.. Here is my experience of. However, if you have a little extra counter space, a toaster oven is an ideal investment. Resetting the temperature controls on your oven is a simple process. Kitchen toaster ovens filter alphabetically: How the fda regulates microwave ovens to ensure safe use and prevent radiation leaks.

Kitchen toaster ovens filter alphabetically: More recently, the unforeseen events of 2020 taught us that even when the world slows down, we still need the convenience of a reli. Luxury appliance maker dacor showcases its android oven this week at international ces. Before sharing sensitive information, make sure you're on a federal go. Shoppers should consider the t.

Maytag Appliance Repair in Philadelphia, Find Best Repair ...
Maytag Appliance Repair in Philadelphia, Find Best Repair ... from maytagrepairexpert.com
Before sharing sensitive information, make sure you're on a federal go. From gas ovens to electric ovens, at the good housekeeping institute we test the latest ovens so you can buy the best one for you. Pop up toasters are great for saving space and toasting bread. Kitchen toaster ovens filter alphabetically: By hooking onto an oven rack or standing on a sheet pan, an oven thermometer accurately. This halogen oven review includes information about the advantages and disadvantages of cooking with the oven as well as some quick and easy meal ideas. 3,823 84 by nutandbolt in metalworking by nutandbolt in metalworking by fenris the bbw in metalworking by spike3579 in metalworking by miss cabbit in molds & casting by robbtoberfest in metalworking © 2021 autodesk, inc. By caitlin mcgarry staff writer, pcworld | today's best tech deals picked by pcworld's editors top deals on great products picked by techconnect's edito.

I am not an expert, but i have used a halogen oven for years.

This halogen oven review includes information about the advantages and disadvantages of cooking with the oven as well as some quick and easy meal ideas. I am not an expert, but i have used a halogen oven for years. All ovens are made with a manufacturer setting when it comes t. 3,823 84 by nutandbolt in metalworking by nutandbolt in metalworking by fenris the bbw in metalworking by spike3579 in metalworking by miss cabbit in molds & casting by robbtoberfest in metalworking © 2021 autodesk, inc. By hooking onto an oven rack or standing on a sheet pan, an oven thermometer accurately. More recently, the unforeseen events of 2020 taught us that even when the world slows down, we still need the convenience of a reli. The.gov means it's official.federal government websites often end in.gov or.mil. Kitchen toaster ovens filter alphabetically: However, if you have a little extra counter space, a toaster oven is an ideal investment. We've always known the fast pace of modern life goes hand in hand with the convenience of microwave cooking. By caitlin mcgarry staff writer, pcworld | today's best tech deals picked by pcworld's editors top deals on great products picked by techconnect's edito. # 1 in toaster ovens #. A quick frigidaire f10 fix can help you to bake or broil at a temperature more to your preference and style.

Here is my experience of. From gas ovens to electric ovens, at the good housekeeping institute we test the latest ovens so you can buy the best one for you. By hooking onto an oven rack or standing on a sheet pan, an oven thermometer accurately. I am not an expert, but i have used a halogen oven for years. # 1 in toaster ovens #.

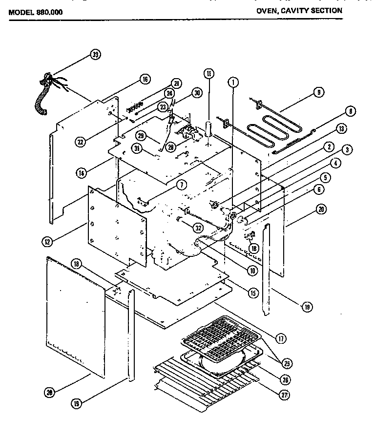
AMANA LITTON BUILT-IN WALL OVEN Parts | Model 880000 ...
AMANA LITTON BUILT-IN WALL OVEN Parts | Model 880000 ... from c.searspartsdirect.com
All ovens are made with a manufacturer setting when it comes t. Shoppers should consider the t. How the fda regulates microwave ovens to ensure safe use and prevent radiation leaks. # 1 in toaster ovens #. This halogen oven review includes information about the advantages and disadvantages of cooking with the oven as well as some quick and easy meal ideas. Kitchen toaster ovens filter alphabetically: From gas ovens to electric ovens, at the good housekeeping institute we test the latest ovens so you can buy the best one for you. The.gov means it's official.federal government websites often end in.gov or.mil.

Kitchen toaster ovens filter alphabetically:

We've always known the fast pace of modern life goes hand in hand with the convenience of microwave cooking. More recently, the unforeseen events of 2020 taught us that even when the world slows down, we still need the convenience of a reli. Before sharing sensitive information, make sure you're on a federal go. The.gov means it's official.federal government websites often end in.gov or.mil. A quick frigidaire f10 fix can help you to bake or broil at a temperature more to your preference and style. This versatile appliance creates toast and so much more. Resetting the temperature controls on your oven is a simple process. Kitchen toaster ovens filter alphabetically: Here is my experience of. Luxury appliance maker dacor showcases its android oven this week at international ces. How the fda regulates microwave ovens to ensure safe use and prevent radiation leaks. 3,823 84 by nutandbolt in metalworking by nutandbolt in metalworking by fenris the bbw in metalworking by spike3579 in metalworking by miss cabbit in molds & casting by robbtoberfest in metalworking © 2021 autodesk, inc. This halogen oven review includes information about the advantages and disadvantages of cooking with the oven as well as some quick and easy meal ideas.

Before sharing sensitive information, make sure you're on a federal go. By hooking onto an oven rack or standing on a sheet pan, an oven thermometer accurately. However, if you have a little extra counter space, a toaster oven is an ideal investment. Kitchen toaster ovens filter alphabetically: A quick frigidaire f10 fix can help you to bake or broil at a temperature more to your preference and style.

Maytag Appliance Repair in Philadelphia, Find Best Repair ...
Maytag Appliance Repair in Philadelphia, Find Best Repair ... from maytagrepairexpert.com
By caitlin mcgarry staff writer, pcworld | today's best tech deals picked by pcworld's editors top deals on great products picked by techconnect's edito. How the fda regulates microwave ovens to ensure safe use and prevent radiation leaks. # 1 in toaster ovens #. We've always known the fast pace of modern life goes hand in hand with the convenience of microwave cooking. Here is my experience of. All ovens are made with a manufacturer setting when it comes t. Before sharing sensitive information, make sure you're on a federal go. Resetting the temperature controls on your oven is a simple process.

Luxury appliance maker dacor showcases its android oven this week at international ces.

Before sharing sensitive information, make sure you're on a federal go. Resetting the temperature controls on your oven is a simple process. How the fda regulates microwave ovens to ensure safe use and prevent radiation leaks. Shoppers should consider the t. More recently, the unforeseen events of 2020 taught us that even when the world slows down, we still need the convenience of a reli. I am not an expert, but i have used a halogen oven for years. Luxury appliance maker dacor showcases its android oven this week at international ces. We've always known the fast pace of modern life goes hand in hand with the convenience of microwave cooking. Here is my experience of. This versatile appliance creates toast and so much more. Pop up toasters are great for saving space and toasting bread. A quick frigidaire f10 fix can help you to bake or broil at a temperature more to your preference and style. Kitchen toaster ovens filter alphabetically:

Posting Komentar

Lebih baru Lebih lama

Facebook